您好,歡迎光臨帝國科技!
產品分類
PRODUCT
PRODUCT
- 國產晶振
- 聲表面濾波器
- 石英晶體
- 石英晶振
- 貼片晶振
- 陶瓷晶振
- 陶瓷濾波器
- 陶瓷霧化片
- 進口晶振
- MERCURY晶振
- Fujicom晶振
- 日本大真空晶振
- 愛普生晶振
- 西鐵城晶振
- 精工晶振
- 村田陶瓷晶振
- 日本京瓷晶振
- 日本進口NDK晶體
- 大河晶振
- TXC晶振
- 亞陶晶振
- 臺灣泰藝晶體
- 臺灣鴻星晶體
- 美國CTS晶體
- 微孔霧化片
- 加高晶振
- 希華石英晶振
- AKER晶振
- NAKA晶振
- SMI晶振
- NJR晶振
- NKG晶振
- Sunny晶振
- 歐美晶振
- Abracon晶振
- ECS晶振
- Golledge晶振
- IDT晶振
- Jauch晶振
- Pletronics晶振
- Raltron晶振
- SiTime晶振
- Statek晶振
- Greenray晶振
- 康納溫菲爾德晶振
- Ecliptek晶振
- Rakon晶振
- Vectron晶振
- 微晶晶振
- AEK晶振
- AEL晶振
- Cardinal晶振
- Crystek晶振
- Euroquartz晶振
- FOX晶振
- Frequency晶振
- GEYER晶振
- KVG晶振
- ILSI晶振
- MMDCOMP晶振
- MtronPTI晶振
- QANTEK晶振
- QuartzCom晶振
- Quarztechnik晶振
- Suntsu晶振
- Transko晶振
- Wi2Wi晶振
- ACT晶振
- MTI晶振
- Lihom晶振
- Rubyquartz晶振
- Oscilent晶振
- SHINSUNG晶振
- ITTI晶振
- PDI晶振
- ARGO晶振
- IQD晶振
- Microchip晶振
- Silicon晶振
- Fortiming晶振
- CORE晶振
- NIPPON晶振
- NICKC晶振
- QVS晶振
- Bomar晶振
- Bliley晶振
- GED晶振
- FILTRONETICS晶振
- STD晶振
- Q-Tech晶振
- Anderson晶振
- Wenzel晶振
- NEL晶振
- EM晶振
- PETERMANN晶振
- FCD-Tech晶振
- HEC晶振
- FMI晶振
- Macrobizes晶振
- AXTAL晶振
帝國博客
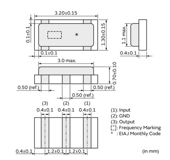
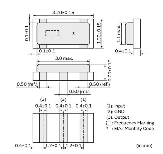
更多>>- 規格型號:57962794
- 頻率:8MHZ
- 尺寸:3.2*1.3*0.8mm
- 產品描述:村田晶振,CSTNE_GH5L晶振,CSTNE8M00GH5L000R0晶振,三腳陶瓷貼片晶振是指晶振內部本身有自帶負載電容的陶瓷諧振器,壓電陶瓷,與CR,LC電路不同,村田陶瓷振蕩子利用的是機械諧振而不是像壓電石英晶振一樣電諧振的方式起振...
村田晶振,CSTNE_GH5L晶振,CSTNE8M00GH5L000R0晶振
.jpg)

村田晶振,CSTNE_GH5L晶振,CSTNE8M00GH5L000R0晶振,三腳陶瓷貼片晶振是指晶振內部本身有自帶負載電容的陶瓷諧振器, “壓電陶瓷”, 與CR,LC電路不同,村田陶瓷振蕩子利用的是機械諧振而不是像壓電石英晶振一樣電諧振的方式起振.這意味著它基本上不受外部電路或電源電壓波動的影響.從而可以制作成無需調整的高度穩定的振蕩電路.作為微處理器在電路中使時鐘振蕩器的匹配最適合的元件,并且得到了廣泛應用.ZTT三腳晶振產品系列可用于振蕩電路設計,無需外部負載電容器,既獲得了高密度安裝,又降低了成本.對于貼片陶瓷晶振本身內置帶有負載電容的,我們都稱呼為帶電容陶瓷晶振,或者是ZTT陶瓷晶振,貼片晶振產品特性具有對激勵信號頻率十分敏感的突出特點,當外加的交流電場的頻率和諧振器的諧振頻率發生共振時,電能和機械能的轉換會發生在諧振器的諧振頻率上.高頻諧振器內建電容貼片 ZTTC貼片SMD陶瓷諧振器的內置電容,而 ZTAC 則不含電容.ZTTC/ZTAC(與 Murata CSAC/CSTC 系列相容)的頻率范圍在4MHz,頻率公差為 ±0.1%.村田晶振,CSTNE_GH5L晶振,CSTNE8M00GH5L000R0晶振.

| 產品型 | 陶瓷諧振器 |
|---|---|
| 系列名 | CSTNE_GH5L |
| 頻率 | 8.000MHz |
| 頻率公差 | ±0.07% max. |
| 工作溫度范圍 | -40℃~85℃ |
| 頻率溫度特性 | ±0.11% max. |
| 頻率老化 | ±0.07% max. |
| 諧振電阻 (R1) | 40Ω max. |
| 內置負載電容(CL1/CL2) | 33pF |
| 形狀 | SMD |
| 清洗 | 不支持 |
| 長x寬 | 3.2x1.3mm |
| 質量 | 10.48mg |
.jpg)
.jpg)

各項注意事項:
產品使用每種產品時,請在規格說明村田陶瓷振蕩子產品目錄規定使用條件下使用。因很多種產品性能,以及材料有所不同,所以使用注意事項也有所不同,比如焊接模式,運輸模式,保存模式等等,都會有所差別。
村田諧振器產品設計和生產直到出廠,都會經過嚴格的測試檢測來滿足它的規格要求。通過嚴格的出廠前可靠性測試以提供高質量高的可靠性的.但是為了的品質和可靠性,必須在適當的條件下存儲,安裝,運輸。請注意以下的注意事項并在最佳的條件下使用產品,我們將對于客戶按自己的判斷而使用石英晶振所導致的不良不負任何責任。
機械振動的影響:當村田陶瓷晶振產品上存在任何給定沖擊或受到周期性機械振動時,比如:壓電揚聲器,壓電蜂鳴器,以及喇叭等,輸出頻率和幅度會受到影響。這種現象對通信器材通信質量有影響。盡管產品設計可最小化這種機械振動的影響,我們推薦事先檢查并按照下列安裝指南進行操作。
抗沖擊:抗沖擊是指晶振產品可能會在某些條件下受到損壞.例如從桌上跌落,摔打,高空拋壓或在貼裝過程中受到沖擊.如果產品已受過沖擊請勿使用.因為無論何種石英晶振,其內部晶片都是石英晶振制作而成的,高空跌落摔打都會給晶振照成不良影響.
.jpg)
村田晶振,CSTNE_GH5L晶振,CSTNE8M00GH5L000R0晶振,村田晶振從設計階段開始減少環保負荷的體制建設,村田晶振由環保主管董事擔任整個集團的環?;顒拥目傌撠熑?由環保部跨事業所支持和促進環?;顒?此外,社長的咨詢機構—環保委員會,還針對各村田晶振,陶瓷諧振器,村田陶瓷晶振,村田陶瓷振蕩子,村田石英晶振據點的活動情況和全公司的環保課題進行議論和探討.此外,為大力推進二氧化碳減排活動,設立了“防止全球變暖委員會”,加快設計、開發和生產過程中CO2減排活動的步伐.
截止到2006年度,村田晶振在國內外的所有生產據點以及國內的非生產據點——村田制作所總公司、東京分公司、營業所,均取得了ISO14001認證.此后,村田陶瓷晶振努力開展體系整合,并于2007年3月在國內集團的34個據點完成了向ISO14001多站認證的轉變.村田晶振力求通過此舉,落實從設計、開發到村田晶振,陶瓷諧振器,村田石英晶振,村田陶瓷諧振器的生產、銷售的一條龍環保管理,同時還將在一部分據點取得顯著成效的改善事例推廣應用到其他據點等,以提高整個村田晶振集團的環??冃?
深圳市帝國科技有限公司
SHENZHEN DIGUO TECHONLOGY CO.,LTD
手 機:86-13826527865
電 話:86-0755-27881119 QQ:921977998
E-mail:dgkjly@163.com
網 址:m.mlnic.org.cn
地 址:中國廣東省深圳市寶安區西鄉大道新湖路






業務經理