您好,歡迎光臨帝國科技!
產品分類
PRODUCT
PRODUCT
- 國產晶振
- 聲表面濾波器
- 石英晶體
- 石英晶振
- 貼片晶振
- 陶瓷晶振
- 陶瓷濾波器
- 陶瓷霧化片
- 進口晶振
- MERCURY晶振
- Fujicom晶振
- 日本大真空晶振
- 愛普生晶振
- 西鐵城晶振
- 精工晶振
- 村田陶瓷晶振
- 日本京瓷晶振
- 日本進口NDK晶體
- 大河晶振
- TXC晶振
- 亞陶晶振
- 臺灣泰藝晶體
- 臺灣鴻星晶體
- 美國CTS晶體
- 微孔霧化片
- 加高晶振
- 希華石英晶振
- AKER晶振
- NAKA晶振
- SMI晶振
- NJR晶振
- NKG晶振
- Sunny晶振
- 歐美晶振
- Abracon晶振
- ECS晶振
- Golledge晶振
- IDT晶振
- Jauch晶振
- Pletronics晶振
- Raltron晶振
- SiTime晶振
- Statek晶振
- Greenray晶振
- 康納溫菲爾德晶振
- Ecliptek晶振
- Rakon晶振
- Vectron晶振
- 微晶晶振
- AEK晶振
- AEL晶振
- Cardinal晶振
- Crystek晶振
- Euroquartz晶振
- FOX晶振
- Frequency晶振
- GEYER晶振
- KVG晶振
- ILSI晶振
- MMDCOMP晶振
- MtronPTI晶振
- QANTEK晶振
- QuartzCom晶振
- Quarztechnik晶振
- Suntsu晶振
- Transko晶振
- Wi2Wi晶振
- ACT晶振
- MTI晶振
- Lihom晶振
- Rubyquartz晶振
- Oscilent晶振
- SHINSUNG晶振
- ITTI晶振
- PDI晶振
- ARGO晶振
- IQD晶振
- Microchip晶振
- Silicon晶振
- Fortiming晶振
- CORE晶振
- NIPPON晶振
- NICKC晶振
- QVS晶振
- Bomar晶振
- Bliley晶振
- GED晶振
- FILTRONETICS晶振
- STD晶振
- Q-Tech晶振
- Anderson晶振
- Wenzel晶振
- NEL晶振
- EM晶振
- PETERMANN晶振
- FCD-Tech晶振
- HEC晶振
- FMI晶振
- Macrobizes晶振
- AXTAL晶振
帝國博客
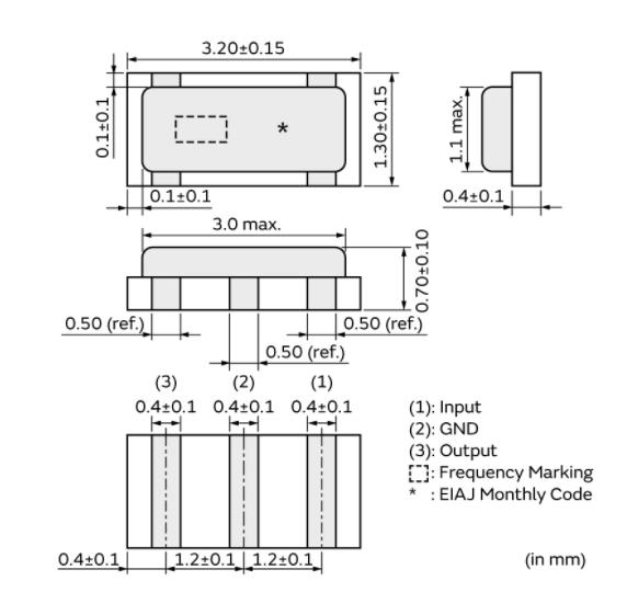
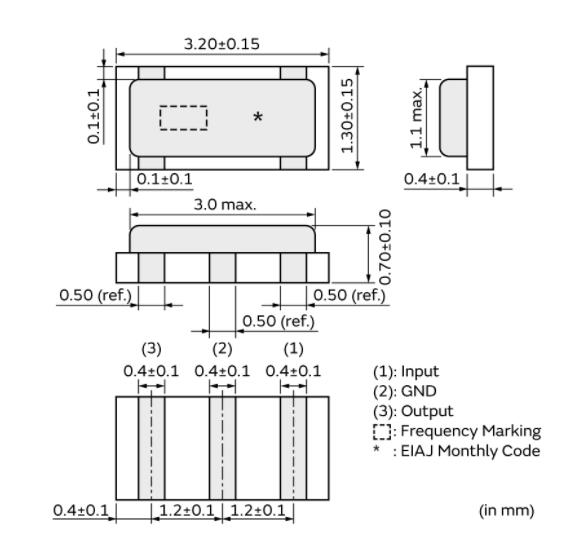
更多>>- 規格型號:15776132
- 頻率:8MHZ
- 尺寸:3.2*1.3*0.8mm
- 產品描述:村田晶振,CSTNE_GH5C晶振,CSTNE8M00GH5C000R0晶振,世界經濟的前景雖不明朗,但日產晶振設備社會正在迅速、切實地向前發展。而這樣的變化也為村田帶來了新的商機。村田制定了新的中期構想2018以及長期構想,指明了為電...
村田晶振,CSTNE_GH5C晶振,CSTNE8M00GH5C000R0晶振
.jpg)

村田晶振,CSTNE_GH5C晶振,CSTNE8M00GH5C000R0晶振,世界經濟的前景雖不明朗,但日產晶振設備社會正在迅速、切實地向前發展。而這樣的變化也為村田帶來了新的商機。村田制定了新的“中期構想2018”以及“長期構想”,指明了為電子設備社會的發展做貢獻的未來發展之路。在通信市場,由于智能手機所安裝元件的增加,以及載波聚合技術的普及,村田的元件及模塊的需求也在不斷地提高,今后,通信市場仍將成為村田的一大支柱。為此,我們將通過供應鏈管理而實現的穩定供應體制,以及范圍廣泛的產品陣容,為通信市場提供新的價值。
村田晶振,CSTNE_GH5C晶振,CSTNE8M00GH5C000R0晶振,村田公司是一家使用性能優異電子原料,設計、制造最先進的小體積貼片晶振,陶瓷晶振,陶瓷晶體諧振器,陶瓷濾波器電子元器件及多功能高密度模塊的企業.不僅是手機、家電,汽車相關的應用、能源管理系統、醫療保健器材等,都有村田公司的身影。自1944年創業以來,村田得到了巨大的發展,在2013年度制定的中期構想最終年度的2015年度,營業額達到了在村田的歷史上具有里程碑意義的萬億日元。

| 產品型 | 陶瓷諧振器 |
|---|---|
| 系列名 | CSTNE_GH5C |
| 頻率 | 8.000MHz |
| 頻率公差 | ±0.07% max. |
| 工作溫度范圍 | -40℃~125℃ |
| 頻率溫度特性 | ±0.13% max. |
| 頻率老化 | ±0.07% max. |
| 諧振電阻 (R1) | 40Ω max. |
| 內置負載電容(CL1/CL2) | 33pF |
| 形狀 | SMD |
| 清洗 | 對應 |
| 長x寬 | 3.2x1.3mm |
| 質量 | 10.48mg |
.jpg)
.jpg)

使用產品時,請在規格說明陶瓷貼片晶振產品目錄規定使用條件下使用。
因很多種產品性能,以及材料有所不同,所以使用注意事項也有所不同,比如焊接模式,運輸模式,保存模式等等,都會有所差別。
所有產品的共同點,
1.抗沖擊:抗沖擊是指村田陶瓷諧振器產品可能會在某些條件下受到損壞。例如從桌上跌落,摔打,高空拋壓或在貼裝過程中受到沖擊。如果產品已受過沖擊請勿使用。因為無論何種,其內部晶片都是制作而成的,高空跌落摔打都會給晶振照成不良影響。
2.輻射:將貼片晶振暴露于輻射環境會導致產品性能受到損害,因此應避免陽光長時間的照射。
3.化學制劑/pH值環境:請勿在PH值范圍可能導致腐蝕或溶解石英晶振或包裝材料的環境下使用或儲藏這些產品。
4.粘合劑:請勿使用可能導致貼片型陶瓷諧振器所用的封裝材料,終端,組件,玻璃材料以及氣相沉積材料等受到腐蝕的膠粘劑。(比如,氯基膠粘劑可能腐蝕一個晶振的金屬“蓋”,從而破壞密封質量,降低性能。)
5.鹵化合物:請勿在鹵素氣體環境下使用。即使少量的鹵素氣體,比如在空氣中的氯氣內或封裝所用金屬部件內,都可能產生腐蝕。同時,請勿使用任何會釋放出鹵素氣體的樹脂。
6.靜電:過高的靜電可能會損壞貼片晶振,請注意抗靜電條件。請為容器和封裝材料選擇導電材料。在處理的時候,請使用電焊槍和無高電壓泄漏的測量電路,并進行接地操作.
.jpg)

村田晶振,CSTNE_GH5C晶振,CSTNE8M00GH5C000R0晶振,村田晶振制作所基于高尚的企業道德,遵循其經營理念,以繼續成為受社會信賴的公司為目標,承諾遵守法律和法規,實施高度透明的管理、尊重人權、維護健康與安全、為社會發展和環境保護做出貢獻.
2009年度,根據環境管理體系中的規定,村田晶振集團在其日本國內的所有事業所和海外的所有生產基地中,建立了村田晶振,貼片石英晶體,陶瓷諧振器,村田振蕩子綠色經營活動的框架,通過共享與綠色經營有關的信息,致力于開展有效的和實際效果大的環保活動,并強化企業的管治能力.
環保經營促進體制
村田晶振從設計階段開始減少環保負荷的體制建設,村田晶振由環保主管董事擔任整個集團的環保活動的總負責人,由環保部跨事業所支持和促進環保活動.此外,社長的咨詢機構—環保委員會,還針對各村田晶振,陶瓷諧振器,村田陶瓷晶振,村田陶瓷振蕩子,村田石英晶振據點的活動情況和全公司的環保課題進行議論和探討.此外,為大力推進二氧化碳減排活動,設立了“防止全球變暖委員會”,加快設計、開發和生產過程中CO2減排活動的步伐.
深圳市帝國科技有限公司
SHENZHEN DIGUO TECHONLOGY CO.,LTD
手 機:86-13826527865
電 話:86-0755-27881119 QQ:921977998
E-mail:dgkjly@163.com
網 址:m.mlnic.org.cn
地 址:中國廣東省深圳市寶安區西鄉大道新湖路






業務經理