您好,歡迎光臨帝國科技!
產品分類
PRODUCT
PRODUCT
- 國產晶振
- 聲表面濾波器
- 石英晶體
- 石英晶振
- 貼片晶振
- 陶瓷晶振
- 陶瓷濾波器
- 陶瓷霧化片
- 進口晶振
- MERCURY晶振
- Fujicom晶振
- 日本大真空晶振
- 愛普生晶振
- 西鐵城晶振
- 精工晶振
- 村田陶瓷晶振
- 日本京瓷晶振
- 日本進口NDK晶體
- 大河晶振
- TXC晶振
- 亞陶晶振
- 臺灣泰藝晶體
- 臺灣鴻星晶體
- 美國CTS晶體
- 微孔霧化片
- 加高晶振
- 希華石英晶振
- AKER晶振
- NAKA晶振
- SMI晶振
- NJR晶振
- NKG晶振
- Sunny晶振
- 歐美晶振
- Abracon晶振
- ECS晶振
- Golledge晶振
- IDT晶振
- Jauch晶振
- Pletronics晶振
- Raltron晶振
- SiTime晶振
- Statek晶振
- Greenray晶振
- 康納溫菲爾德晶振
- Ecliptek晶振
- Rakon晶振
- Vectron晶振
- 微晶晶振
- AEK晶振
- AEL晶振
- Cardinal晶振
- Crystek晶振
- Euroquartz晶振
- FOX晶振
- Frequency晶振
- GEYER晶振
- KVG晶振
- ILSI晶振
- MMDCOMP晶振
- MtronPTI晶振
- QANTEK晶振
- QuartzCom晶振
- Quarztechnik晶振
- Suntsu晶振
- Transko晶振
- Wi2Wi晶振
- ACT晶振
- MTI晶振
- Lihom晶振
- Rubyquartz晶振
- Oscilent晶振
- SHINSUNG晶振
- ITTI晶振
- PDI晶振
- ARGO晶振
- IQD晶振
- Microchip晶振
- Silicon晶振
- Fortiming晶振
- CORE晶振
- NIPPON晶振
- NICKC晶振
- QVS晶振
- Bomar晶振
- Bliley晶振
- GED晶振
- FILTRONETICS晶振
- STD晶振
- Q-Tech晶振
- Anderson晶振
- Wenzel晶振
- NEL晶振
- EM晶振
- PETERMANN晶振
- FCD-Tech晶振
- HEC晶振
- FMI晶振
- Macrobizes晶振
- AXTAL晶振
帝國博客
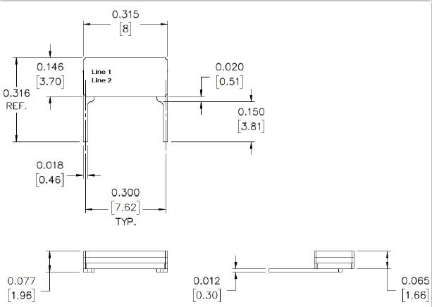
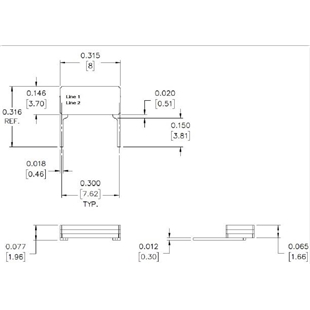
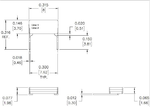
更多>>- 規格型號:52062121
- 頻率:0.032768MHZ
- 尺寸:8.0*3.8mm
- 產品描述:MtronPTI晶振,M1381晶振,M13812GZ0.032768MHz晶振,貼片晶振本身體積小,超薄型石英晶體振蕩器,特別適用于有目前高速發展的高端電子數碼產品,因為晶振本身小型化需求的市場領域,小型,薄型是對應陶瓷振蕩器(偏差大)和普通...
MtronPTI晶振,M1381晶振,M13812GZ0.032768MHz晶振
.jpg)
MtronPTI晶振,M1381晶振,M13812GZ0.032768MHz晶振,貼片晶振本身體積小,超薄型石英晶體振蕩器,特別適用于有目前高速發展的高端電子數碼產品,因為晶振本身小型化需求的市場領域,小型,薄型是對應陶瓷振蕩器(偏差大)和普通的石英晶體振蕩器(偏差小)的中間領域的一種性價比較出色的產品.產品廣泛用于筆記本電腦,無線電話,衛星導航SSD,USB,Blu-ray等用途,符合無鉛焊接的高溫回流焊曲線特性.MtronPTI于1965年成立于雷達,為高可靠性/高性能應用設計和制造定制RF和微波解決方案。2004年成立,由M-tron Industries,Inc.收購Piezo Technology,Inc. MtronPTI是LGL Group,Inc.的全資子公司。
更寬的頻率范圍,更低的漂移,更低的g靈敏度以及添加兩條新產品線:固態功率放大器至20 GHz以及毫米波濾波器至90 GHz
2013 - M618x 3.2 x 5.0mm Stratum 3 TCXO
2012 - AS9100 Rev C認證
2012年 - 100MHz低噪聲OCXO
適用于儀器儀表,點對點或點對多點微波以及雷達應用的XO5085系列100MHz低相位噪聲OCXO。
2012年 - 數字RF線 - 數字調諧濾波器
用于數字無線電,軟件無線電,認知無線電的數字調諧濾波器...具有更高的可靠性,更大的覆蓋范圍和更高的數據容量。
2010年 - 上海銷售和服務辦公室
本地市場和全球制造基地的銷售客戶服務中心。
2009年 - GPS紀律振蕩器
M9107是一款非常小巧的設備,專為滿足軍事環境要求,定時系統需求(包括保持時間)而設計,非常適合手提包,車載和機載應用。
MtronPTI晶振是美國領先的頻率元件制造商,1965年成立于雷達,專業提供廣泛的MtronPTI石英晶體,有源晶振,陶瓷諧振器等解決方案.MtronPTI晶振,M1381晶振,M13812GZ0.032768MHz晶振.

| Parameter | Symbol | Min. | Typ. | Max. | Units | Conditions |
| Mode of Oscillation | Fundamental (XT cut) | |||||
| Frequency Range | F 0 | 0.032768 | MHz | |||
| Frequency Tolerance | F/F | See Ordering Information Table | ppm | @ +25 °C | ||
| Frequency Stability | DF/F 0 | Parabolic Curve | Ref to +25 °C | |||
| Turnover Temperature | T T | +20 | +25 | +30 | °C | |
| Parabolic Curve Const. | B | -0.032 | -0.035 | -0.039 | ppm/°C 2 | |
| Operating Temperature | T A | See Ordering Information Table | °C | |||
| Aging | -3 | +3 | ppm/year | @ +25 °C | ||
| Load Capacitance | C L |
See ordering information (standard is 12.5 pF) |
pF | |||
| ESR | R s | 40 | 60 | kΩ | standard @ +25 °C | |
| Shunt Capacitance | C O | 1.6 | pF | standard @ +25 °C | ||
| Drive Level | D L | 1 | µW | standard | ||
| Insulation Resistance | 500 | MΩ | ||||
.jpg)

耐焊性:
將晶振加熱包裝材料至+150°C以上會破壞產品特性或損害產品.如需在+150°C以上焊接石英晶振,建議使用SMD晶振產品.在下列回流條件下,對石英晶振產品甚至SMD貼片晶振使用更高溫度,會破壞晶振特性.建議使用下列配置情況的回流條件.安裝這些貼片晶振之前,應檢查焊接溫度和時間.同時,在安裝條件更改的情況下,請再次進行檢查.如果需要焊接的晶振產品在下列配置條件下進行焊接,請聯系我們以獲取耐熱的相關信息.
粘合劑
請勿使用可能導致石英晶振所用的封裝材料,終端,組件,玻璃材料以及氣相沉積材料等受到腐蝕的膠粘劑.(比如,氯基膠粘劑可能腐蝕一個晶振的金屬“蓋”,從而破壞密封質量,降低性能.)
機械振動的影響
當晶振產品上存在任何給定沖擊或受到周期性機械振動時,比如:壓電揚聲器,壓電蜂鳴器,以及喇叭等,輸出頻率和幅度會受到影響.這種現象對通信器材通信質量有影響.盡管晶振產品設計可最小化這種機械振動的影響,我們推薦事先檢查并按照下列安裝指南進行操作.
熱影響
重復的溫度巨大變化可能會降低受損害的石英晶振產品特性,并導致塑料封裝里的線路擊穿.必須避免這種情況.
安裝方向
振蕩器的不正確安裝會導致故障以及崩潰,因此安裝時,請檢查安裝方向是否正確.
通電
不建議從中間電位和/或極快速通電,否則會導致無法產生振蕩和/或非正常工作.
負載電容
有源晶振振蕩電路中負載電容的不同,可能導致振蕩頻率與設計頻率之間產生偏差.試圖通過強力調整,可能只會導致不正常的振蕩.在使用之前,請指明該振動電路的負載電容(請參閱“負載電容”章節內容).MtronPTI晶振,M1381晶振,M13812GZ0.032768MHz晶振.
深圳市帝國科技有限公司
SHENZHEN DIGUO TECHONLOGY CO.,LTD
手 機:86-13826527865
電 話:86-0755-27881119 QQ:921977998
E-mail:dgkjly@163.com
網 址:m.mlnic.org.cn
地 址:中國廣東省深圳市寶安區西鄉大道新湖路








業務經理