您好,歡迎光臨帝國科技!
產品分類
PRODUCT
PRODUCT
- 國產晶振
- 聲表面濾波器
- 石英晶體
- 石英晶振
- 貼片晶振
- 陶瓷晶振
- 陶瓷濾波器
- 陶瓷霧化片
- 進口晶振
- MERCURY晶振
- Fujicom晶振
- 日本大真空晶振
- 愛普生晶振
- 西鐵城晶振
- 精工晶振
- 村田陶瓷晶振
- 日本京瓷晶振
- 日本進口NDK晶體
- 大河晶振
- TXC晶振
- 亞陶晶振
- 臺灣泰藝晶體
- 臺灣鴻星晶體
- 美國CTS晶體
- 微孔霧化片
- 加高晶振
- 希華石英晶振
- AKER晶振
- NAKA晶振
- SMI晶振
- NJR晶振
- NKG晶振
- Sunny晶振
- 歐美晶振
- Abracon晶振
- ECS晶振
- Golledge晶振
- IDT晶振
- Jauch晶振
- Pletronics晶振
- Raltron晶振
- SiTime晶振
- Statek晶振
- Greenray晶振
- 康納溫菲爾德晶振
- Ecliptek晶振
- Rakon晶振
- Vectron晶振
- 微晶晶振
- AEK晶振
- AEL晶振
- Cardinal晶振
- Crystek晶振
- Euroquartz晶振
- FOX晶振
- Frequency晶振
- GEYER晶振
- KVG晶振
- ILSI晶振
- MMDCOMP晶振
- MtronPTI晶振
- QANTEK晶振
- QuartzCom晶振
- Quarztechnik晶振
- Suntsu晶振
- Transko晶振
- Wi2Wi晶振
- ACT晶振
- MTI晶振
- Lihom晶振
- Rubyquartz晶振
- Oscilent晶振
- SHINSUNG晶振
- ITTI晶振
- PDI晶振
- ARGO晶振
- IQD晶振
- Microchip晶振
- Silicon晶振
- Fortiming晶振
- CORE晶振
- NIPPON晶振
- NICKC晶振
- QVS晶振
- Bomar晶振
- Bliley晶振
- GED晶振
- FILTRONETICS晶振
- STD晶振
- Q-Tech晶振
- Anderson晶振
- Wenzel晶振
- NEL晶振
- EM晶振
- PETERMANN晶振
- FCD-Tech晶振
- HEC晶振
- FMI晶振
- Macrobizes晶振
- AXTAL晶振
帝國博客
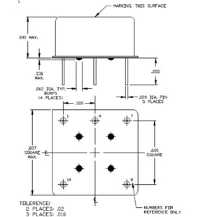
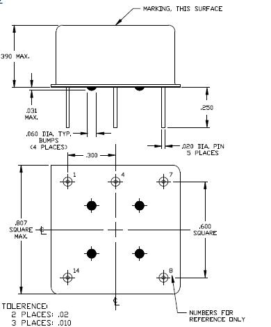
更多>>- 規格型號:38548143
- 頻率:10~300MHZ
- 尺寸:20.5*20.5mm
- 產品描述:Greenray晶振,T1170晶振,T1170-T57-3.3-20MHz晶振,溫補晶振(TCXO)產品本身具有溫度補償作用,高低溫度穩定性:頻率精度高0.5PPM~2.0PPM,常用頻率:26M,33.6M,38.4M,40M.因產品性能穩定,精度高等優勢,被廣泛應用到一些比較...
Greenray晶振,T1170晶振,T1170-T57-3.3-20MHz晶振
.jpg)
Greenray晶振,T1170晶振,T1170-T57-3.3-20MHz晶振,溫補晶振(TCXO)產品本身具有溫度補償作用,高低溫度穩定性:頻率精度高0.5PPM~2.0PPM,常用頻率:26M,33.6M,38.4M,40M.因產品性能穩定,精度高等優勢,被廣泛應用到一些比較高端的數碼通訊產品領域,GPS全球定位系統,智能手機,WiMAX和無線通信等產品,符合RoHS/無鉛.
Greenray Industries致力于提供優質的產品質量,創新和性能,響應客戶服務和嚴格關注負責任的道德商業行為。
我們的質量管理體系完整記錄和實施,并通過了ISO 9001:2008 + AS9100C標準的認證。
Greenray對客戶服務,產品質量,創新和業績的承諾并沒有被忽視。雷聲公司集成防御系統(IDS)部門已經認可了格林雷工業公司的“卓越運營”和“一貫的質量,按時交貨,安全和投資,以改善過程”。格林雷在2013年,2014年獲得IDS供應商卓越獎和2016年。
此外,Greenray于2015年被羅克韋爾柯林斯公司認定為“卓越的品質和交貨性能”,并被公司授予“白金供應商”地位。 Greenray致力于為我們的國防和商業客戶提供優質的服務和優質的服務,這一點可追溯到公司于1961年成立,是我們整體業務重點的關鍵組成部分。
Greenray Industries,Inc.是美國領先的精密石英晶體振蕩器制造商。我們的OCXO,TCXO,VCXO和時鐘振蕩器可用作通信,儀器和國防應用的穩定參考源。
我們為通信行業的需求提供設計用于電信的Stratum III和IIIE以及無線,衛星通信和當今新興技術的應用產品。
我們提供用于工業,儀器和GNSS(全球導航衛星系統,如GPS)應用的組件。
對于防務市場,我們提供高性能的振蕩器,智能彈藥的參考源,導彈制導,移動接收機和雷達系統。
Greenray晶振集團為幾個主要市場提供石英晶振,貼片晶振,壓電石英晶體元器件、壓電石英晶體、有源晶體等頻率控制解決方案.在軍事市場上,我們為智能彈藥、導彈制導、移動接收器和雷達系統提供產品.Greenray晶振,T1170晶振,T1170-T57-3.3-20MHz晶振.
我們的質量管理體系完整記錄和實施,并通過了ISO 9001:2008 + AS9100C標準的認證。
Greenray對客戶服務,產品質量,創新和業績的承諾并沒有被忽視。雷聲公司集成防御系統(IDS)部門已經認可了格林雷工業公司的“卓越運營”和“一貫的質量,按時交貨,安全和投資,以改善過程”。格林雷在2013年,2014年獲得IDS供應商卓越獎和2016年。
此外,Greenray于2015年被羅克韋爾柯林斯公司認定為“卓越的品質和交貨性能”,并被公司授予“白金供應商”地位。 Greenray致力于為我們的國防和商業客戶提供優質的服務和優質的服務,這一點可追溯到公司于1961年成立,是我們整體業務重點的關鍵組成部分。
Greenray Industries,Inc.是美國領先的精密石英晶體振蕩器制造商。我們的OCXO,TCXO,VCXO和時鐘振蕩器可用作通信,儀器和國防應用的穩定參考源。
我們為通信行業的需求提供設計用于電信的Stratum III和IIIE以及無線,衛星通信和當今新興技術的應用產品。
我們提供用于工業,儀器和GNSS(全球導航衛星系統,如GPS)應用的組件。
對于防務市場,我們提供高性能的振蕩器,智能彈藥的參考源,導彈制導,移動接收機和雷達系統。
Greenray晶振集團為幾個主要市場提供石英晶振,貼片晶振,壓電石英晶體元器件、壓電石英晶體、有源晶體等頻率控制解決方案.在軍事市場上,我們為智能彈藥、導彈制導、移動接收器和雷達系統提供產品.Greenray晶振,T1170晶振,T1170-T57-3.3-20MHz晶振.

| Frequency | 10.0 MHz to 300.0 MHz | ||
| Output |
T1170 - Squarewave, ACMOS (available at 10 to 125 MHz only) T1171 – Sinewave, 0 dBm min into 50 ohms |
||
| Harmonics | -20 dBc (Sinewave version) | ||
| Symmetry | 50% ± 10% (Squarewave version) | ||
| Temp Stability | Temp Range | Tolerance | Option |
| -10 to +60°C | ±3x10 -7 | G37 | |
| -30 to +70°C | ±4x10 -7 | N47 | |
| -40 to +85°C | ±5x10 -7 | T57 | |
| -40 to +85°C | ±1x10 -6 | T16 | |
| Freq vs. Supply | ±1x10 -7 /% change | ||
| Aging | ±2x10 -9 per day after 30 days (10 MHz typ) | ||
| Supply V | available in +5 or +3.3 VDC | ||
|
Phase Noise (typ @ 10MHz) |
10 Hz | -95 dBc/Hz | |
| 100 Hz | -125 dBc/Hz | ||
| 1 kHz | -140 dBc/Hz | ||
| 10 kHz | -150 dBc/Hz | ||
| 100 kHz | -155 dBc/Hz | ||
| Freq Adjust |
±5.0 ppM typ, positive slope 0 to V supply EFC |
||
自動安裝時的沖擊:石英晶振自動安裝和真空化引發的沖擊會破壞SMD晶振產品特性并影響這些產品。請設置安裝條件以盡可能將沖擊降至最低,并確保在安裝前未對晶振特性產生影響。條件改變時,請重新檢查安裝條件。同時,在安裝前后,請確保石英晶振產品未撞擊機器或其他電路板等。
每個封裝類型的注意事項
陶瓷包裝晶振與SON產品
在焊接陶瓷晶振和SON產品 (陶瓷包裝是指晶振外觀采用陶瓷制品) 之后,彎曲電路板會因機械應力而導致焊接部分剝落或封裝分裂(開裂)。尤其在焊接這些產品之后進行電路板切割時,務必確保在應力較小的位置布局晶體并采用應力更小的切割方法。
陶瓷包裝石英晶振
在一個不同擴張系數電路板(環氧玻璃)上焊接陶瓷封裝石英晶振時,在溫度長時間重復變化時可能導致端子焊接部分發生斷裂,請事先檢查焊接特性。Greenray晶振,T1170晶振,T1170-T57-3.3-20MHz晶振.

深圳市帝國科技有限公司
SHENZHEN DIGUO TECHONLOGY CO.,LTD
手 機:86-13826527865
電 話:86-0755-27881119 QQ:921977998
E-mail:dgkjly@163.com
網 址:m.mlnic.org.cn
地 址:中國廣東省深圳市寶安區西鄉大道新湖路




.jpg)



業務經理